产品介绍
*活动带塑料防尘圈
*刹车自带解锁踏板,刹车块为尼龙材质,
不伤胎面

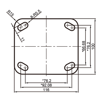
产品备注:长度单位为"mm" 
类似产品
C516-PUME 韩式中荷重 系列
中重型脚轮
C516-WBR 美式中荷重铁芯橡胶轮组 系列
中重型脚轮
C516-MR 美式中荷重 系列
中重型脚轮
免费咨询热线:
扫描二维码
添加微信咨询